热门关键词:气胀轴,气胀轴配件,气胀轴生产商

FZ6-200K-1系列空心轴磁粉制动器
 产品信息

 磁粉制动器简介:

    磁粉制动器是一种性能优越的自动控制元件,是由传动单元和从动单元合并而成。它以磁粉为工作介质,以激磁电流为控制手段达到控制制动或传递转矩的目的。其输出转矩与激磁电流呈良好的线性关系,并具有响应速度快、结构简单等优点,因而适用于电线、电缆、印刷、包装、纺织、橡胶皮革、金属箔带加工、造纸及纸品加工等有关卷取装置的张力自动控制系统中。
 
磁粉制动器工作原理:
    磁粉制动器主要有制动架,制动件和操纵装置组成.有些制动器还装有制动件间隙的自动调整装置,为了减少制动力矩和结构尺寸,制动器通常装在设备的高速轴上,运用刹车、闸来对机械运动件和机械零配件的停止和减速,
 
磁粉制动器特性:
    ※ 采用耐热性能优越的超合金磁粉,温升低、输出转矩恒定、响应速度快,可高频率工作。 ※ 使用耐高温之线圈及优质轴承,运转平稳,在启动、运行、制动状态下,无振动、无冲击、无噪音。 ※ 具有过载保护,在转矩超载情况下,自动滑差动行起到过载保护作用。 ※ 体积小、自重轻、安装简便、使用寿命长。
 
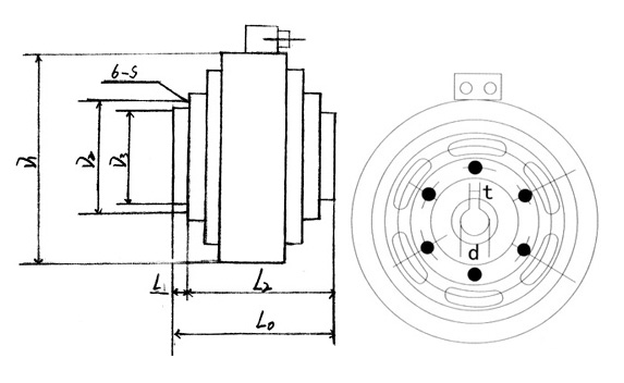
型号 主  要  技  术  参  数 外   形   尺   寸 磁粉
转矩 滑功 电压 转速 重量 D1 D2 D3 L2 L1 L0 6-S d t 重量
 FZ12K-1 12 120 24 1000 2.8 150 82 65 67 3 70 M5 20 6 20
FZ25K-1 25 150 24 1000 4.5 182 110 90 74 4 78 M6 25 8 30
FZ50K-1 50 200 24 1000 12.5 219 130 110 91 5 96 M8 30 8 60
FZ100K-1 100 300 24 800 20 260 140 120 105 5 110 M10 35 10 110
FZ200K-1 200 500 24 800 30 300 220 180 115 5 120 M10 45 14 180
本文链接://product/product388.html
更新时间:2015/6/18 21:40:58  点击次数:
上一篇:FZ6-400A-1系列电磁粉未制动器
下一篇:FZ6-200K-2系列磁粉制动器

相关产品

FZ6-400A-1系列电磁粉未制动器 FZ-K/F型磁粉制动器 磁粉制动器(CZ-型机座式磁粉制动器) FZ6-200K-2系列磁粉制动器 FZ6-200K-1系列空心轴磁粉制动器
版权所有:瑞安市龙八头号玩家唯一机械有限公司 浙ICP备16042777号-1    浙公网安备 33038102331514号  
地址:浙江瑞安市锦湖街道联星愚溪工业区1栋
公司电话:0577-65867555 工厂电话:0577 65065918 邮箱:394324038@qq.com
龙八头号玩家唯一机械专业气胀轴生产商可以根据你的要求定制各种规格,各种形式的气胀轴,气涨轴