磁粉离合器是由传动单元(输入轴)和从动单元(输出轴)合并而成。在两组单元之间的空间,填有粒状的磁粉(休积大约40微米)。当磁性线圈不导电时,转矩不会从传动轴传于从动轴,但如将线圈电磁通电,就由于磁力的作用而吸引磁粉产生硬化现象,在连继滑动之间会把转矩传达。

|
型号 |
主 要 技 术 参 数 |
外 形 尺 寸 |
磁粉 |
|||||||||||||||
|
转矩 |
滑功 |
电压 |
转速 |
重量 |
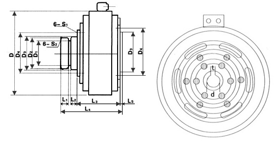
D0 |
D1 |
D2×L1 |
D3×L2 |
D4 |
L3 |
L4 |
L5 |
d |
t |
6-S2 |
6-S1 |
重量 |
|
|
FL6B-1 |
6 |
70 |
24 |
1400 |
4.5 |
130 |
50 |
60×17 |
65×7 |
70 |
62 |
92 |
3 |
16 |
5 |
M4 |
M5 |
10 |
|
FL12B-1 |
12 |
120 |
24 |
1400 |
5.5 |
157 |
60 |
70×18 |
72×8 |
80 |
73 |
105 |
3 |
20 |
6 |
M4 |
M5 |
20 |
|
FL25B-1 |
25 |
150 |
24 |
1400 |
9.5 |
185 |
71 |
80×20 |
82×10 |
97 |
88 |
125 |
4 |
25 |
8 |
M5 |
M6 |
30 |
|
FL50B-1 |
50 |
200 |
24 |
1400 |
15.1 |
219 |
85 |
95×22 |
97×11 |
110 |
103 |
144 |
4 |
30 |
8 |
M6 |
M6 |
60 |
|
FL100B-1 |
100 |
300 |
24 |
1000 |
32.3 |
290 |
105 |
125×24 |
128×14 |
145 |
136 |
182 |
5 |
35 |
10 |
M8 |
M8 |
110 |
|
FL200B-1 |
200 |
500 |
24 |
1000 |
52 |
335 |
125 |
140×28 |
145×17 |
165 |
145 |
200 |
5 |
45 |
14 |
M8 |
M10 |
180 |
|
FL400B-1 |
400 |
1000 |
24 |
1000 |
91 |
398 |
160 |
180×30 |
190×20 |
210 |
193 |
251 |
5 |
60 |
18 |
M10 |
M12 |
300 |